
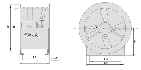
機 號 | 尺 寸 | |||||||
D | D1 | L1 | L2 | L3 | L4 | H | Φ1 | |
2.8 | 290 | 350 | 220 | 260 | 150 | 250 | 200 | Φ8.5 |
3.15 | 325 | 390 | 220 | 260 | 150 | 250 | 220 | Φ8.5 |
3.55 | 365 | 430 | 260 | 300 | 200 | 300 | 240 | Φ8.5 |
4 | 410 | 480 | 260 | 300 | 200 | 300 | 260 | Φ10.5 |
4.5 | 460 | 530 | 280 | 320 | 250 | 350 | 290 | Φ10.5 |
5 | 510 | 580 | 310 | 350 | 300 | 400 | 320 | Φ10.5 |
5.6 | 570 | 650 | 380 | 420 | 400 | 500 | 360 | Φ10.5 |
6.3 | 640 | 720 | 400 | 460 | 400 | 500 | 400 | Φ12.5 |
7.1 | 720 | 800 | 420 | 480 | 500 | 600 | 440 | Φ12.5 |
8 | 810 | 890 | 460 | 520 | 500 | 600 | 500 | Φ12.5 |
9 | 910 | 990 | 590 | 650 | 600 | 700 | 540 | Φ12.5 |
10 | 1010 | 1100 | 690 | 750 | 600 | 700 | 595 | Φ12.5 |
11.2 | 1130 | 1230 | 770 | 830 | 700 | 800 | 640 | Φ12.5 |
|
|